a flyback design egy switched-mode power supply (SMPS), amelyet több mint 70 éve használnak, és még mindig erős. Ennek a tápegységnek—más néven teljesítményátalakítónak—két különálló működési fázisa van, a bemeneti oldalról a teljesítmény csak akkor kerül át a kimeneti oldalra, ha az elsődleges oldali kapcsoló ki van kapcsolva, és áramlása nulla vagy annak közelében van. A flyback design lényege meglehetősen rövid és olcsó anyagjegyzék (BOM): bemeneti kondenzátor, elsődleges oldali MOSFET kapcsoló, kimeneti (másodlagos) oldali Egyenirányító dióda és kimeneti kondenzátor. Ezen kívül ott van maga a flyback transzformátor (természetesen, mint minden kivitelnél, a végső sematikus bonyolultabb).
a flyback dizájnt az 1930-as és 1940-es években fejlesztették ki, és az 1950-es években a kereskedelmi televízió bevezetésével nagyon finomították. Bizonyos szempontból megelőzi a nemlineáris kapcsolóellátás modern koncepcióját (lásd: “fél évszázaddal ezelőtt a jobb tranzisztorok és Kapcsolószabályozók forradalmasították a számítógépes Tápegységek tervezését” az IEEE Spectrumban).
korábbi szerepeiben a flyback átalakító biztosította a CRT és a többi vákuumcső számára szükséges nagyfeszültségeket, amelyek a tranzisztorok és az IC-k előtt az “aktív” elektronika voltak. Ennek a hatalmas piacnak köszönhetően az alacsony költség, a nagy megbízhatóság, a biztonság és a gyárthatóság érdekében tervezték és optimalizálták. A flyback kialakítása és jellemzői jól alkalmazhatók az alacsony és közepes teljesítménytartományú alkalmazásokhoz 100 és 250 W között.
Flyback Converter alapjai
ellentétben a nem flyback kialakítással, ahol a transzformátort csak feszültségnövelésre vagy-lecsökkentésre használják, a flyback transzformátort induktorként, mágneses energiatároló eszközként is használják. Ennek a transzformátornak további tekercsei vannak (kritikusak a flyback művelet szempontjából), azon túl, hogy alapvető kéttekercses (elsődleges/másodlagos) transzformátor. A transzformátor fordulási aránya két szerepet tölt be: beállítja a kimenet és a bemeneti feszültség arányát, és biztosítja a galvanikus (ohmos) elszigetelést. További tekercsek használatával a flyback kialakítás egyszerre több kimenetet is biztosíthat.
a basic flyback ciklusban az elsődleges oldali kapcsoló zárása növeli az elsődleges áramot és a mágneses fluxust a transzformátorban / induktorban, mivel az elsődleges oldali áramkört a forrás biztosítja (ábra. 1). A szekunder oldali tekercsben a feszültség negatív az elsődleges és a szekunder tekercsek közötti viszony miatt. Ezért a dióda fordított előfeszítésű és blokkolja az áramáramlást, és a szekunder oldali kondenzátor biztosítja az áramot a terheléshez az üzemi fázisban.

1. A flyback-átalakító működésének első ciklusában az elsődleges oldali kapcsoló zárva van, ezáltal növelve az elsődleges áramot és a transzformátor/induktor mágneses fluxusát. (Forrás: Wikipedia)
a kapcsoló a ciklus következő fázisában nyílik meg (ábra. 2), így az elsődleges oldali áram nullára megy, és a mágneses fluxus összeomlik. Most a szekunder oldali feszültség pozitív lesz, a dióda előre van torzítva, és az áram a transzformátor szekunder oldaláról a kondenzátorra áramlik, így feltöltve a kondenzátort.

2. A flyback-átalakító működésének második ciklusában az elsődleges oldali kapcsoló kinyílik, és az áram a transzformátor másodlagos oldaláról a kondenzátorra áramlik. (Forrás: Wikipedia)
a flyback kivitelben a kimeneti kondenzátor hasonló egy vödörhez, amelyet vagy megtöltenek (újratöltenek), vagy kiürítenek (ellátják a terhelést), de soha nem megy át egyszerre mindkettőn. A kapott kimeneti hullámzást a kondenzátornak kell szűrnie, amely soha nem engedheti le a nulla töltést. A” flyback ” név a MOSFET kapcsoló hirtelen stop/stop, be/ki hatásának köszönhető, olyan hullámformával, amely úgy néz ki, mint az áramáramlás hirtelen megfordulása (ábra. 3).

3. A flyback topológia alap hullámformája az elsődleges és másodlagos oldali áramok hirtelen megfordulását és átmenetét mutatja. (Forrás: Wikipedia)
A kimenet szabályozása az elsődleges oldali kapcsoló be-/kikapcsolási ciklusának beállításával érhető el. Egyes tervek a kapcsolási művelet frekvenciáját is beállítják (a gyorsabb kapcsolás a kimenet szorosabb nyomon követését eredményezi a kívánt kimeneti értékhez. Ez a visszacsatolás a szükséges input-output leválasztással vagy a transzformátor speciális tekercsén keresztül történik (a hagyományos és a történelmi megközelítés) (ábra. 4A) vagy optocsatolón keresztül (ábra. 4b).

4. A hagyományos flyback kialakítás transzformátort/induktort használ, legalább két elsődleges tekercseléssel és egy másodlagos tekercseléssel (a). Egyes flyback tervek optocsatolót használnak a második elsődleges oldali tekercseléssel egyenértékű izolált visszacsatolás biztosítására. (Források: Analóg eszközök és Texas Instruments)
üzemmódok
a Flybacks (és más sok más átalakító Típus) úgy tervezhető, hogy a két üzemmód egyikében működjön. Szakaszos vezetési módban (DCM) a transzformátor minden kapcsolási ciklus alatt teljesen mágnesezhető. Ez általában rögzített kapcsolási frekvenciával és a csúcsáram modulációjával történik, hogy megfeleljen a terhelési követelményeknek. Folyamatos vezetési módban (CCM) az áram mindig áramlik a transzformátorban minden kapcsolási ciklus alatt. Ezért a transzformátorban mindig van némi maradék energia, mivel minden kapcsolási ciklus az áram teljes kimerülése előtt kezdődik.
a DCM-mel a kimeneti egyenirányítóban nincsenek fordított helyreállítási veszteségek, mivel az áram minden kapcsolási ciklus alatt nullára csökken. A szükséges elsődleges oldali induktivitás alacsony, és csak egy kisebb transzformátort igényel. Analitikailag a DCM kialakítása eredendően stabilabb, mivel átviteli funkciójának jobb félsíkjában nincs nulla. A DCM-nek azonban nagyon nagy hullámáramai vannak, ezért nagyobb szűrőket igényel.
ezzel szemben a CCM-nek kis hullámzási és RMS-áramai vannak. Ezek az alacsonyabb áramok csökkentik a vezetési és kikapcsolási veszteségeket is, míg az alacsonyabb csúcsáramok kisebb szűrőelemeket tesznek lehetővé. A CCM hátránya azonban, hogy az átviteli függvény jobb oldali síkjában nulla, ami korlátozza a vezérlőhurok sávszélességét és dinamikus válaszát. A CCM nagyobb induktivitást, tehát nagyobb mágneses komponenst is igényel.
a Flyback Converter fejlesztése
mint minden tápegység kialakításakor, bizonyos változatok és fejlesztések egy jó tápegységet nagyon jóvá alakíthatnak. A DCM-ben van egy holtidő vagy rezonáns “gyűrű”, ahol sem a dióda, sem a MOSFET nem vezet, amelyet a transzformátor elsődleges induktivitása és a kapcsoló csomópont parazita kapacitása közötti kölcsönhatás hoz létre. A kvázi rezonáns (QR) kialakítás úgy állítja be a csúcsáramot és a kapcsolási frekvenciát, hogy a MOSFET bekapcsol a rezonáns csengés első “völgyében”, és minimalizálja a veszteségeket.
egy másik fejlesztés a “völgyváltás.”A vezérlő érzékeli, ha a holtidő rezonáns gyűrű a mélypontján van, és ezen a ponton bekapcsolja a MOSFET-et, hogy elindítsa a következő kapcsolási ciklust, a kapcsolási veszteségek csökkentése érdekében is.
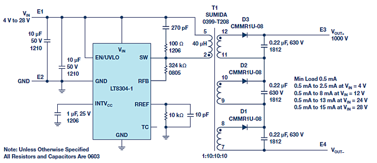
a Modern IC vezérlők minimalizálják a teljes flyback ellátás tervezésének elkerülhetetlen kihívásait, miközben növelik a teljesítményt. Például az Analog Devices LT8304-1 egy nem optoizolált flyback átalakító, amely a kimeneti feszültséget közvetlenül az elsődleges oldali flyback hullámformából veszi át (ábra. 5), ezért nem igényel harmadik tekercselést vagy optoizolátort a szabályozáshoz.

5. Az LT8304-1 alapján ez a kialakítás egy 4-28 V – os bemenetet 1000 V-os kimenetre konvertál; a garantált minimális kimeneti áram a bemeneti feszültség függvénye, és eléri a 15 mA-t 28 V-os bemenettel. (Forrás: Analog Devices)
az adatlap megkönnyíti a flyback transzformátor kiválasztását és azonosítását azáltal, hogy egy táblázatot ad a közös bemeneti/kimeneti feszültségről és árampárosításról, amely illeszkedik a gyártó nevéhez és a szabványos rendelkezésre álló transzformátorok modelljeihez. Az eredmény: a jó flyback kialakítás létrehozása most sokkal könnyebb projekt.
következtetés
a tápegység / átalakító topológia kiválasztásakor számos jogos lehetőséget kell figyelembe venni, amelyek mindegyike egyedi tulajdonságokkal, valamint pozitív és negatív jellemzőkkel rendelkezik. Ezeket össze kell vetni a rendszer prioritásaival, MŰSZAKI teljesítményükkel és dollárköltségeikkel. A flyback megközelítés életképes versenyző több száz watt alatti alkalmazásokban, egy számjegytől kilovoltig terjedő feszültségeknél, és különösen vonzó, ha több dc kimenetre és bemeneti/kimeneti elszigetelésre van szükség.
további olvasmányok:
- Az Active Clamp Flyback Converter: A Design, amelynek eljött az ideje
- GaN Tech meghajtók Off-Line CV/CC Flyback Switcher IC-k
- Flyback-topológia DC vezérlő csepp szükség optikai leválasztó
- tervezése folytonos vezetési módú Flyback transzformátor
- Vegyünk egy szórólap a Flyback a nagyfeszültségű áramkör tervezés
- szem előtt tartva a különbség, és javítja a kis teljesítményű Flyback transzformátor tervezés
- Half-Bridge Flyback konverterek jobban teljesítenek hagyományos típusok
- a hallható zajt generáló flyback ellátás hibaelhárítása
- PCB tervező intro a kevésbé használt DC-DC szabályozási módszerekhez
- használjon Flyback topológiát az egyéni LED Világítás meghajtásához
- Flyback szinkron egyenirányító meghajtó 10 a kimenetet biztosít
- Flyback transzformátor 30 wattos POE Plus alkalmazásokhoz
- 900 V Flyback szabályozó megfelel a mérőknek, vezeték nélküli alkalmazások
- 100 V izolált monolit No-Opto Flyback szabályozó akár 24 W-ot is biztosít
- Építsd meg saját Transzformátorodat
Egyéb hivatkozások
- Villamosmérnöki Stack Exchange, “hogyan működik a CRT televízió flyback valóban működik”
- Autodesk Instructables, “2n3055 Flyback transzformátor driver Kezdők “
- Robert Gawron, “nagyfeszültségű tápegység (10-30kV) CRT televíziós flyback transzformátorból”
- elektronikus javítási útmutató, “Mi a Flyback transzformátor?
- Texas Instruments, “a Flyback átalakító alapjainak megértése”
- analóg eszközök, “1000 V kimenet, Opto nélküli, elszigetelt Flyback átalakító”
- Maxim integrált, alkalmazási Megjegyzés 1166, “Flyback transzformátor kialakítása MAX1856 SLIC tápegységekhez”